OMOGANEYA Technical Academy 〜 重金屋 技術塾 〜
【電気の基礎|第1章 直流回路】1.7 抵抗の並列接続と分流
実際の電気回路では、複数の抵抗を接続して回路を構成することが多い。
ここでは、抵抗を並列に複数接続した時の合成抵抗の求め方について学んでいく。
1.7.1 抵抗の並列接続・合成抵抗・等価回路
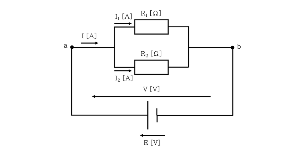
抵抗R1, R2 [Ω]を、図1.7-1のように並列に接続した回路を並列回路という。

図1.7-1 並列回路
並列回路では、a-b間に電圧V[V]を加えたとき、R1およびR2にはV [V]が等しく加わる。
したがって、各抵抗に流れる電流I 1、I2 [A]は次式で求められる。
回路全体の電流I [A]は次式で求める。
ここで、 とおくと となり、合成抵抗Rは下記の通りとなる。
また、式(1.7-4)を変形して下記が導かれる。
式(1.7-5)は2つの抵抗の並列回路において成り立つ式で、「和分の積」として多く知られている。
抵抗n個を接続した並列回路における合成抵抗は次式の通りとなる。
ここで、抵抗の逆数をコンダクタンス(単位記号S:ジーメンス)と呼び、コンダクタンスを用いると、並列回路の合成コンダクタンスは単に各抵抗のコンダクタンスの和 ( ) として表せる。
図1.7-1を等価回路で表すと図1.7-2の通りとなる。

図1.7-2 並列回路の等価回路
1.7.2 抵抗による電流の分流
図1.7-2の等価回路から、a-b間の電圧V[V]は次式で求めることもできる。
これを式(1.7-1)および(1.7-2)に代入すると下記の通りとなる。
また、抵抗が2つの場合、式(1.7-5)の「和分の積」を用いて下記の通りと表せる。
式(1.7-8)および式(1.7-9)より、並列回路において各抵抗に流れる電流は各抵抗の抵抗値に反比例して分流されることがわかる。これを分流の法則とよび、電流計の測定範囲を拡大するための「分流器(分流回路)」として利用される。
この記事について
参考文献
・「電気基礎(上)」コロナ社 著:宇都宮 敏男/高橋 寛/和泉 勲
※本記事は、上記文献を参考にしつつ、筆者の理解に基づき整理したものである。
記事作成
株式会社マリンテクノサービス
info-jp@marinetechno.jp
お問い合わせ
contact太陽光発電設備をはじめ、船舶関連機器・産業機器などの調達に関することなら、どんなことでもお気軽にご相談ください。